深圳市百盛新紀元半導體有限公司,自成立以來,始終堅守誠信為本的原則,專注于半導體領域的技術創新與服務提升。我們專注于DC-DC升壓轉換芯片、降壓轉換芯片、MOS場效應管、LDO穩壓芯片、鋰電池充電管理芯片、鋰電池保護系統芯片、過壓過流保護芯片、電壓檢測芯片的研發與銷售,憑借多年的半導體銷售從業經驗和公司經驗豐富的FAE團隊,我們為客戶提供優質的產品和全方位的服務。
我們的產品廣泛應用于智能機器人、無線充、移動電源、無人機、安防監控、車載導航、行車記錄、暖手寶、補水儀、玩具等領域,以卓越的性能和穩定的品質贏得了客戶的廣泛贊譽。無論是產品的性能還是服務的質量,我們都力求做到最好,以滿足客戶不斷變化的需求。
百盛新紀元秉持倉儲式的經營理念,以誠信、感恩、服務為宗旨,致力于為客戶提供多元化、全方位的優質服務。我們深知,只有真正站在客戶的角度思考問題,才能贏得客戶的信賴和支持。因此,我們始終堅持用心服務,用心傾聽,用心滿足客戶的每一個需求。
EG3033:高性價比三相PMOS/NMOS柵極驅動芯片,優化電機與電源驅動性能
詳情
芯片描述
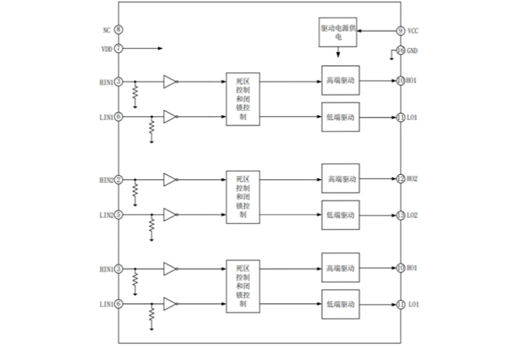
EG3033 是一款高性價比三相 PMOS、NMOS 管柵極驅動專用芯片,內部集成了死區時控制電路、欠 壓關斷電路、閉鎖電路、輸出驅動電路,用于電機控制器、電源的驅動電路。
EG3033 的電源電壓范圍 7V~25V,靜態功耗小于 1mA。該芯片輸入電壓超過 12V 時,為了更好的 匹配 P/N MOS 管,LO 輸出最高電壓為 11V,HO 輸出最低電壓為 VCC 減去 11V。 LO 輸出電流能力 IO+/- 0.045/0.28A,HO 輸出電流能力 IO+/- 0.26/0.04A。
三相 P/N MOS 管柵極驅動 電源電壓輸入范圍:7V-25V 適應 3.3V、5V、12V 輸入電壓 具有 VCC 欠壓保護 內建死區控制電路 自帶閉鎖功能 LIN1/2/3 輸入通道高電平有效,控制 LO 輸出 HIN1/2/3 輸入通道高電平有效,控制 HO 輸出 封裝形式:SOP16 吸塵器 風扇 變頻水泵控制器 電源 電機驅動器 筋膜槍芯片特點
應用領域

深圳市百盛新紀元半導體有限公司
鄭曉曉
2851339680
13534212799 / 0755-6130 3950
郵箱:Parkson@szparkson.net
公司:深圳市福田區華強北賽格廣場24樓2405A