深圳市百盛新紀元半導體有限公司,自成立以來,始終堅守誠信為本的原則,專注于半導體領域的技術創新與服務提升。我們專注于DC-DC升壓轉換芯片、降壓轉換芯片、MOS場效應管、LDO穩壓芯片、鋰電池充電管理芯片、鋰電池保護系統芯片、過壓過流保護芯片、電壓檢測芯片的研發與銷售,憑借多年的半導體銷售從業經驗和公司經驗豐富的FAE團隊,我們為客戶提供優質的產品和全方位的服務。
我們的產品廣泛應用于智能機器人、無線充、移動電源、無人機、安防監控、車載導航、行車記錄、暖手寶、補水儀、玩具等領域,以卓越的性能和穩定的品質贏得了客戶的廣泛贊譽。無論是產品的性能還是服務的質量,我們都力求做到最好,以滿足客戶不斷變化的需求。
百盛新紀元秉持倉儲式的經營理念,以誠信、感恩、服務為宗旨,致力于為客戶提供多元化、全方位的優質服務。我們深知,只有真正站在客戶的角度思考問題,才能贏得客戶的信賴和支持。因此,我們始終堅持用心服務,用心傾聽,用心滿足客戶的每一個需求。
EG2126:全橋拓撲電路首選,高性價比大功率MOS/IGBT柵極驅動專用芯片
詳情
芯片描述
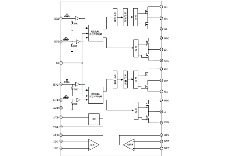
EG2126是一款高性價比的大功率MOS管、IGBT管柵極驅動專用芯片,內部集成了5V的LDO、一個運放、一個比較器、邏輯信號輸入處理電路、死區時控制電路、閉鎖電路、電平位移電路、脈沖濾波電路及輸出驅動電路,更適合用于全橋拓撲電路。
EG2126高端的工作電壓可達600V,低端Vcc的電源電壓范圍寬2.8V~20V。該芯片具有閉鎖功能防止輸出功率管同時導通,輸入通道HIN和LIN內建了一個下拉電阻,在輸入懸空時使上、下功率MOS管處于關閉狀態,輸出電流能力IO+2.0A/-2.0A,采用SOP28L封裝。
芯片特點
高端懸浮自舉電源設計,耐壓可達600V
集成兩路半橋驅動
內置5V電源輸出
內置三個端口的運放
內置三個端口的比較器
適應5V、3.3V輸入電壓
最高頻率支持500KHZ
低端VCC電壓范圍2.8V-20V
輸出電流能力IO+2.0A/-2.0A
內建死區控制電路
自帶閉鎖功能,徹底杜絕上、下管輸出同時導通
HIN輸入通道高電平有效,控制高端HO輸出
LIN輸入通道高電平有效,控制低端LO輸出
封裝形式:SOP28
應用領域
全橋拓撲電源
變頻水泵控制器
電動車控制器
無刷電機驅動器

深圳市百盛新紀元半導體有限公司
鄭曉曉
2851339680
13534212799 / 0755-6130 3950
郵箱:Parkson@szparkson.net
公司:深圳市福田區華強北賽格廣場24樓2405A