深圳市百盛新紀元半導體有限公司,自成立以來,始終堅守誠信為本的原則,專注于半導體領域的技術創新與服務提升。我們專注于DC-DC升壓轉換芯片、降壓轉換芯片、MOS場效應管、LDO穩壓芯片、鋰電池充電管理芯片、鋰電池保護系統芯片、過壓過流保護芯片、電壓檢測芯片的研發與銷售,憑借多年的半導體銷售從業經驗和公司經驗豐富的FAE團隊,我們為客戶提供優質的產品和全方位的服務。
我們的產品廣泛應用于智能機器人、無線充、移動電源、無人機、安防監控、車載導航、行車記錄、暖手寶、補水儀、玩具等領域,以卓越的性能和穩定的品質贏得了客戶的廣泛贊譽。無論是產品的性能還是服務的質量,我們都力求做到最好,以滿足客戶不斷變化的需求。
百盛新紀元秉持倉儲式的經營理念,以誠信、感恩、服務為宗旨,致力于為客戶提供多元化、全方位的優質服務。我們深知,只有真正站在客戶的角度思考問題,才能贏得客戶的信賴和支持。因此,我們始終堅持用心服務,用心傾聽,用心滿足客戶的每一個需求。
EG8025數模結合芯片:引領逆變器行業波形精度新標準
詳情
芯片描述
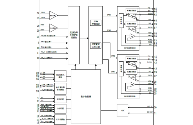
EG8025是一款采用電流模式、中心對齊PWM調制方式和內置兩路600V半橋高壓MOS驅動器等一體的數模結合芯片,專用于逆變器產品。該芯片采用CMOS工藝,內部的主要模塊為SPWM正弦發生器、死區時間控制電路、多路反饋及保護處理電路、UART串口通訊模塊等功能。該芯片采用LQFP80封裝,只需少量的外圍器件,即可實現空載波形失真率小于1.5%、滿載波形失真率小于3%和高精度輸出電壓的特性,能滿足逆變器行業的波形要求。
集成了兩路600V半橋高壓MOS驅動器,驅動器的輸出電流能力為+/-2A,內置四路獨立的逐周PWM關斷保護,可有效防止在極端情況下過高的峰值電流而損壞MOS的情況。另外提供了兩路SD,分別為SD1,和SD2,SD1是驅動器1HO1和LO1的逐周關斷引腳,SD2是驅動器2HO2和LO2的逐周關斷引腳,結合MCU和SD功能可實現逆變器的短路保護功能。
EG8025內置了完善的各項保護功能,提供了直流母線過壓和欠壓保護、交流輸出欠壓保護、過載報警提示、過載保護指示、過流保護指示、過溫保護指示及短路保護指示等。EG8025支持組三相逆變器功能,通過交流過零信號輸出及同步相位信號輸入,經光耦隔離電路傳輸后,采用串行級聯方式,可組成一臺相位差120度的三相逆變器。
芯片特點
采用電流模式、中心對齊PWM調制方式,能帶感性和容性負載。
SPWM載波頻率20KHz,適合大功率MOS管和IGBT管的應用。
集成了兩路600V半橋高壓MOS管驅動器,驅動能力為±2A。
集成四路獨立的MOS管峰值電流保護電路及內置四路200mV基準源的比較器供用戶設定保護值。
集成了四路高速運放及一路高速比較器,兩路運放用于交流電流放大器,一路運放用于交流輸出電壓反饋,一路運放用于短路保護和一路比較器用于限流保護。
輸出電壓和輸出電流是每個PWM周期實時處理,能實現精確跟蹤。
集成同步過零信號輸出及可設置的0度/120度相位跟蹤,通過級聯方式實現組三相逆變器功能。
引腳可配置功能:H橋左、右橋臂互換控制;4種死區時間可選配置:300nS、500nS、1uS、1.5Us;2種固定正弦波頻率可選配置:50Hz、60Hz;軟啟動開啟和關閉;
逆變器保護功能:直流母線電壓過壓和欠壓保護;輸出過載/過流/短路保護;PCB過溫保護和IGBT過溫保護;
串口通訊可設置參數:50Hz/60Hz純正弦波固定頻率;交流輸出電壓溫度保護值故障復位;額定功率保護值額定電流保護值;
串口通訊可讀參數:交流輸出電壓交流輸出頻率;交流輸出功率交流輸出電流;直流母線電壓故障代碼;
應用領域
單相純正弦波逆變器
三相純正弦波逆變器
不間斷電源UPS系統
光伏發電逆變器
風力發電逆變器
鋰電發電機
儲能電源

深圳市百盛新紀元半導體有限公司
鄭曉曉
2851339680
13534212799 / 0755-6130 3950
郵箱:Parkson@szparkson.net
公司:深圳市福田區華強北賽格廣場24樓2405A