十一年優秀供應商
深圳市百盛新紀元半導體有限公司,自成立以來,始終堅守誠信為本的原則,專注于半導體領域的技術創新與服務提升。我們專注于DC-DC升壓轉換芯片、降壓轉換芯片、MOS場效應管、LDO穩壓芯片、鋰電池充電管理芯片、鋰電池保護系統芯片、過壓過流保護芯片、電壓檢測芯片的研發與銷售,憑借多年的半導體銷售從業經驗和公司經驗豐富的FAE團隊,我們為客戶提供優質的產品和全方位的服務。
我們的產品廣泛應用于智能機器人、無線充、移動電源、無人機、安防監控、車載導航、行車記錄、暖手寶、補水儀、玩具等領域,以卓越的性能和穩定的品質贏得了客戶的廣泛贊譽。無論是產品的性能還是服務的質量,我們都力求做到最好,以滿足客戶不斷變化的需求。
百盛新紀元秉持倉儲式的經營理念,以誠信、感恩、服務為宗旨,致力于為客戶提供多元化、全方位的優質服務。我們深知,只有真正站在客戶的角度思考問題,才能贏得客戶的信賴和支持。因此,我們始終堅持用心服務,用心傾聽,用心滿足客戶的每一個需求。
FP6162 1.5MHz,1.5A同步降壓調節器芯片
詳情
一般說明
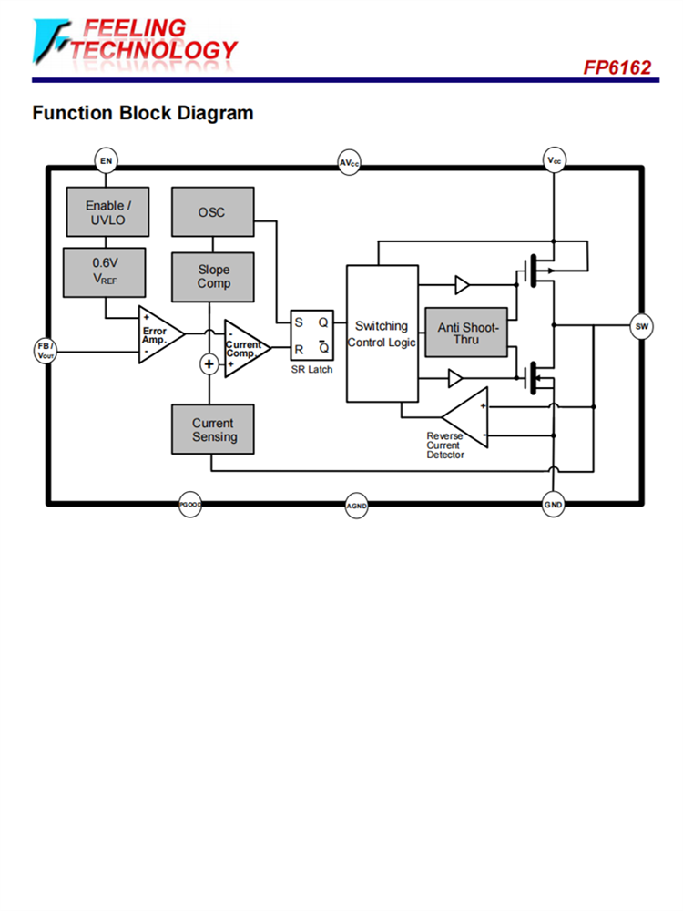
FP6162是一種高效電流模式同步降壓PWM DC-直流調節器。內部產生的0.6V精度反饋參考電壓被設計用于低輸出電壓。低RDS(ON)同步開關可顯著降低導電損耗。為了延長便攜式應用程序的電池壽命,低損耗操作支持100%的占空比。關閉模式還有助于節省當前的消耗。FP6162采用MSOP-10L、DFN-10L和SOP-8L,以減少PCB空間。
特征
?輸入電壓范圍:2.5至5.5V
?可調輸出電壓從0.6V至VIN
?精密反饋參考電壓:0.6V(±2%)
?輸出電流:1.5A(最大)
?占空比: 0~100%
?內部固定PWM頻率: 1.5MHz
?低靜態電流:100μA
?無肖特基二極管要求
?內置軟啟動
?電流模式運行
?過溫保護
?包:MSOP-10L(EP),DFN-10L(EP),SOP-8L(EP)
應用
?蜂窩電話
?無線和DSL調制解調器
?數碼靜態相機
?便攜式產品
FP6162是一種高效電流模式同步降壓PWM DC-直流調節器。內部產生的0.6V精度反饋參考電壓被設計用于低輸出電壓。低RDS(ON)同步開關可顯著降低導電損耗。為了延長便攜式應用程序的電池壽命,低損耗操作支持100%的占空比。關閉模式還有助于節省當前的消耗。FP6162采用MSOP-10L、DFN-10L和SOP-8L,以減少PCB空間。
特征
?輸入電壓范圍:2.5至5.5V
?可調輸出電壓從0.6V至VIN
?精密反饋參考電壓:0.6V(±2%)
?輸出電流:1.5A(最大)
?占空比: 0~100%
?內部固定PWM頻率: 1.5MHz
?低靜態電流:100μA
?無肖特基二極管要求
?內置軟啟動
?電流模式運行
?過溫保護
?包:MSOP-10L(EP),DFN-10L(EP),SOP-8L(EP)
應用
?蜂窩電話
?無線和DSL調制解調器
?數碼靜態相機
?便攜式產品
?MP3播放器





聯系我們(公司至今已銷售IC十五年)

深圳市百盛新紀元半導體有限公司
鄭曉曉
2851339680
13534212799 / 0755-6130 3950
郵箱:Parkson@szparkson.net
公司:深圳市福田區華強北賽格廣場24樓2405A
Update Required
To play the media you will need to either update your browser to a recent version or update your Flash plugin.