十一年優秀供應商
深圳市百盛新紀元半導體有限公司,自成立以來,始終堅守誠信為本的原則,專注于半導體領域的技術創新與服務提升。我們專注于DC-DC升壓轉換芯片、降壓轉換芯片、MOS場效應管、LDO穩壓芯片、鋰電池充電管理芯片、鋰電池保護系統芯片、過壓過流保護芯片、電壓檢測芯片的研發與銷售,憑借多年的半導體銷售從業經驗和公司經驗豐富的FAE團隊,我們為客戶提供優質的產品和全方位的服務。
我們的產品廣泛應用于智能機器人、無線充、移動電源、無人機、安防監控、車載導航、行車記錄、暖手寶、補水儀、玩具等領域,以卓越的性能和穩定的品質贏得了客戶的廣泛贊譽。無論是產品的性能還是服務的質量,我們都力求做到最好,以滿足客戶不斷變化的需求。
百盛新紀元秉持倉儲式的經營理念,以誠信、感恩、服務為宗旨,致力于為客戶提供多元化、全方位的優質服務。我們深知,只有真正站在客戶的角度思考問題,才能贏得客戶的信賴和支持。因此,我們始終堅持用心服務,用心傾聽,用心滿足客戶的每一個需求。
FP6396 1.2同步降壓芯片 DC-DC轉換器 百盛電子代理商
詳情
一般說明
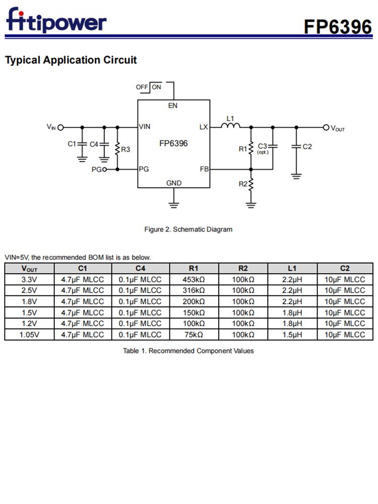
FP6396是一種高效、高頻同步DC-DC降壓變頻器。100%占空比功能提供了低退出操作,延長了便攜式系統的電池壽命。
內部同步開關提高了效率,并消除了對外部肖特基二極管的需要。在停機模式下,輸入電源電流小于1μA。
FP6396故障保護包括過流保護、短路保護、UVLO和熱關機等功能。內部軟啟動功能防止開啟時涌電流。
FP6396提供了SOT-23-5和SOT-23-6軟件包。
特征
?2.5 V~6V輸入電壓范圍
?0.6 V參考電壓
?1.2A輸出電流
?低RDS(開)內部開關(上/下):340/210mΩ
?1.5 MHz開關頻率
?內部1 ms軟啟動時間
?內部補償功能
?100%退出操作
?電源良好指標輸出(僅SOT-23-6)
?輸入過電壓保護
?過電流保護
?Hiccup短路保護
?溫度保護與自動恢復
?RoHS兼容和無鹵素
應用
?機頂盒
?液晶電視和平板電腦
?AP路由器和WiFi適配器
?3.5G&4G適配器
FP6396是一種高效、高頻同步DC-DC降壓變頻器。100%占空比功能提供了低退出操作,延長了便攜式系統的電池壽命。
內部同步開關提高了效率,并消除了對外部肖特基二極管的需要。在停機模式下,輸入電源電流小于1μA。
FP6396故障保護包括過流保護、短路保護、UVLO和熱關機等功能。內部軟啟動功能防止開啟時涌電流。
FP6396提供了SOT-23-5和SOT-23-6軟件包。
特征
?2.5 V~6V輸入電壓范圍
?0.6 V參考電壓
?1.2A輸出電流
?低RDS(開)內部開關(上/下):340/210mΩ
?1.5 MHz開關頻率
?內部1 ms軟啟動時間
?內部補償功能
?100%退出操作
?電源良好指標輸出(僅SOT-23-6)
?輸入過電壓保護
?過電流保護
?Hiccup短路保護
?溫度保護與自動恢復
?RoHS兼容和無鹵素
應用
?機頂盒
?液晶電視和平板電腦
?AP路由器和WiFi適配器
?3.5G&4G適配器
?USB3.0和SSD存儲





聯系我們(公司至今已銷售IC十五年)

深圳市百盛新紀元半導體有限公司
鄭曉曉
2851339680
13534212799 / 0755-6130 3950
郵箱:Parkson@szparkson.net
公司:深圳市福田區華強北賽格廣場24樓2405A
Update Required
To play the media you will need to either update your browser to a recent version or update your Flash plugin.