深圳市百盛新紀元半導體有限公司,自成立以來,始終堅守誠信為本的原則,專注于半導體領域的技術創新與服務提升。我們專注于DC-DC升壓轉換芯片、降壓轉換芯片、MOS場效應管、LDO穩壓芯片、鋰電池充電管理芯片、鋰電池保護系統芯片、過壓過流保護芯片、電壓檢測芯片的研發與銷售,憑借多年的半導體銷售從業經驗和公司經驗豐富的FAE團隊,我們為客戶提供優質的產品和全方位的服務。
我們的產品廣泛應用于智能機器人、無線充、移動電源、無人機、安防監控、車載導航、行車記錄、暖手寶、補水儀、玩具等領域,以卓越的性能和穩定的品質贏得了客戶的廣泛贊譽。無論是產品的性能還是服務的質量,我們都力求做到最好,以滿足客戶不斷變化的需求。
百盛新紀元秉持倉儲式的經營理念,以誠信、感恩、服務為宗旨,致力于為客戶提供多元化、全方位的優質服務。我們深知,只有真正站在客戶的角度思考問題,才能贏得客戶的信賴和支持。因此,我們始終堅持用心服務,用心傾聽,用心滿足客戶的每一個需求。
EG3002 單通道MOSFET管驅動芯片
詳情
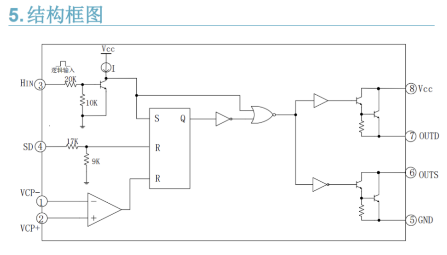
EG3002 是一款單通道高性價比的功率 MOSFET 管或大功率雙極性晶體管門極或基極驅動專用芯片,內部集成了輸入邏輯信號處理電路、快速比較器、SD 快速關斷處理電路及大電流輸出驅動電路,專用于電源轉換器及電機控制器等的功率 MOSFET 管驅動器。EG3002 電源電壓范圍寬 3V~30V,靜態功耗低僅 2mA,輸出結構具有獨立的源出電流 OUTD 端和吸入電流 OUTS 端引腳,可以用來獨立地調節輸入到 MOSFET 管 G 極的上升沿時間和下降沿時間。
.特點n
源出峰值驅動電流達 1A 和吸入峰值驅動電流達 1.2An
寬電壓輸入范圍:+3V - +30Vn
輸入端 IN 可承受最高為+30V 的輸入電壓
n 低輸入供電電流:l 邏輯 1 輸入— 200uA(典型值)l
邏輯 0 輸入— 0uA(典型值)n
獨立的拉電流和灌電流輸出結構可獨立調節上升沿和下降沿時間n
SD 引腳實現逐周關斷控制,
可用于短路或過流保護處理電路n
內置快速比較器,應用時可以省掉外部短路保護比較器n
封裝形式:SOP-8
應用領域n
電機驅動器n
逆變器n
步進電機驅動n
DC/DC 轉換器
n驅動大功率雙極型晶體管
n UPS 不間斷電源n
Class-D 功率放大器n
開關電源n
脈沖變壓器驅動器n
無刷風扇

深圳市百盛新紀元半導體有限公司
鄭曉曉
2851339680
13534212799 / 0755-6130 3950
郵箱:Parkson@szparkson.net
公司:深圳市福田區華強北賽格廣場24樓2405A