FP6600Q/FP6601Q的區別?設計指導?最新手機測試表?
- 2018-08-22 15:29:00
- admin 原創
- 12749
1. 簡述
2. FP6600Q/FP6601Q區別,設計指導
3. FP6600Q/FP6601Q最新手機快充測試表格
· 簡述:
FP6600Q/FP6601Q是顆手機快充充電協議識別IC,可自動識別充電手機,并于手機進行充電協議的握手溝通,然后調整充電器的輸出電壓,在保護充電設備的前提下,使之獲得設備允許的安全最高充電電壓。
同時,FP6600Q/FP6601Q支持智能識別,使手機識別成原裝充電器一般,進行全速充電,使得大大節省充電時間。
FP6600Q/FP6601Q支持充電協議:
●完全支持快速充電QC3.0,QC 2.0,華為海思快充FCP,三星AFC快充;
●支持USB 充電規范BC1.2;
●支持中國通信行業標準YD/T 1591-2009;
●支持蘋果Apple(5V1A,5V2A,5V2.4A)設備;
●支持三星(5V2A)設備;
●D+,D- PIN腳高耐壓14V;
●輸出電壓不會隨溫度提高而變化;
●即使D-,D+異常損壞情況下,不會輸出高壓,會過壓保護鎖定只5V輸出。
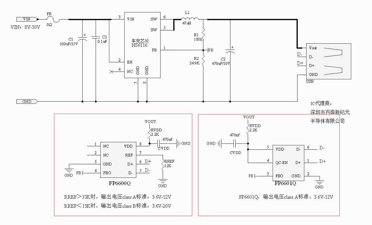
· FP6600Q/FP6601Q區別,設計指導:
區別:
FP6600Q和FP6601Q支持的手機充電協議是一樣的,區別就在于,輸出電壓標準:FP6600Q是可以class A(3.6V-12V)和class B(3.6V-20V) 中進行任意選擇, FP6601Q是固定class A標準。
同時,FP6600Q還能于CHY103D,SC0163D互相替換,三者IC腳位PIN對PIN,無需更改PCB,還能豐富原先使用CHY103D和SC0163D充電產品的兼容性(+蘋果5V2A,2.4A和華為FCP,三星AFC),并能通過FP6600Q的7腳REF電阻進行最大輸出電壓設置。
設計指導:
首先,我們先看下IC腳,
FP6601Q PIN腳:
1腳和6腳是(D+,D-),很明顯的直接連接USB口的D+,D-即可;
2腳是GND,直接接地;
3腳是FB0,是控制power IC(AC-DC/DC-DC電源IC)的輸出電壓,連接power IC的FB腳(反饋腳);
4腳QC-EN,可與5腳短路或者懸空;注意在直接接地時,高壓快充功能關閉,保留智能識別,
5腳VDD供電腳,電阻2.2K接到VOUT輸出,電容470nF接地即可。
FP6600Q PIN腳:
1腳,NC;
2腳,NC;
3腳GND,直接接地;
4腳FB0,是控制power IC(AC-DC/DC-DC電源IC)的輸出電壓,連接power IC的FB腳(反饋腳);
5腳和6腳是(D-,D+),很明顯的直接連接USB口的D+,D-即可;
7腳REF,輸出電壓標準控制腳,RREF<15K時,是Class B標準(3.6V-20V), RREF>33K時,是Class A標準(3.6V-12V);
8腳VDD供電腳,電阻2.2K接到VOUT輸出,電容470nF接地即可。

從上圖,我們可以看出,FP6600Q/FP6601Q,于power IC的連接就4個點:
1. D+
2. D-
3. FB反饋腳
4. VDD供電腳RCDD電阻2.2K,接到VOUT
是比較簡單的。
注意:FP6600Q,FP6601Q是于手機進行握手溝通后,控制使其power IC的輸出電壓改變,也就是說輸出電壓,電流都是看power IC的能力,例如:POWER IC就是受雇的勞工,FP6600Q,FP6601Q是只負責指揮的雇主。
POWER IC的選型:
AC-DC
1. 副邊反饋型,例如:OB2263,DK125等;
2. 滿足快充USB口所需的最大輸出功率(電壓*電流),一般是18W。
DC-DC
1. 滿足快充USB口所需的最大輸出功率(電壓*電流),一般是18W。
FP6600Q/FP6601Q最新手機快充測試表格:




// 禁止右鍵查看源代碼 //禁止拷貝代碼,不能選中內容

深圳市百盛新紀元半導體有限公司
鄭曉曉
2851339680
13534212799 / 0755-6130 3950
郵箱:Parkson@szparkson.net
公司:深圳市福田區華強北賽格廣場24樓2405A