高效率,低成本QC3.0 / 3A / 2.4A車充方案,供你選擇
- 2018-04-12 13:05:00
- 百盛電子 原創
- 20672
QC3.0快充,3A 和 2.4A輸出的車充,很多客戶都知道:這類產品,市場也是有很多了。
主要是推薦幾款高效率,質量可靠,成本實惠的車載充電器IC方案,給大家多一個對比的選項。
EMI這塊NS6112,NS6116也是容易過的。 EMI認證方案:鏈接
NS6322,固定輸出電壓5V,2.4A可調恒流電流,外圍僅僅電容和電感,高集成,過EMI
NS6326,固定輸出電壓5V,3.0A可調恒流電流,外圍僅僅電容和電感,高集成, 過EMI

描述:
2.4A車充IC:NS6112 ( PIN to
3A 車充IC: NS6116 PIN)
輸入電壓: 8V~30V
IC 頻率: 130kHz
占 空 比 : 100%
保護功能:過溫保護,
輸出短路保護
輸入欠壓/過壓保護等
線纜補償:帶線補
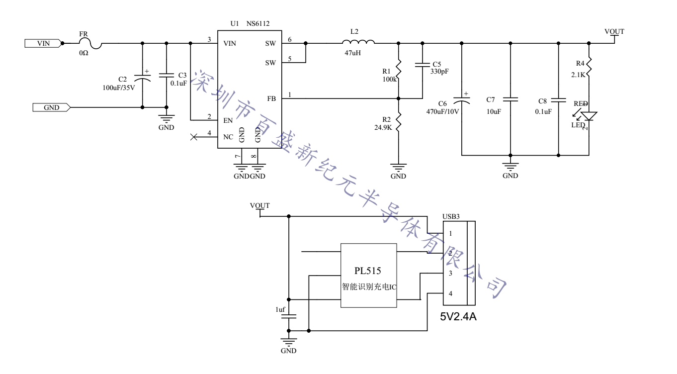
NS6112單口2.4A智能識別車充原理圖:
智能識別充電 : 蘋果5V1A,5V2A,5V2.4A
三星5V2A
BC1.2協議

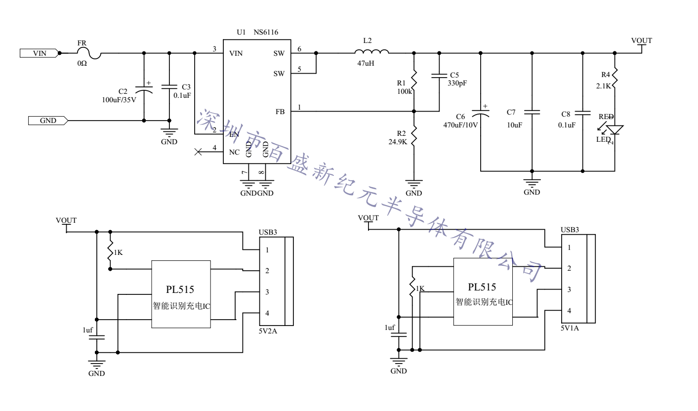
NS6116雙口2A+1A智能識別車充原理圖:
智能識別充電: 蘋果5V1A,5V2A,5V2.4A
三星5V2A
BC1.2協議

NS6112效率測試 VIN VOUT 備注 電壓(V) 電流(A) 電壓(V) 電流(A) 效率(%)
12.00 0.96 5.41 2.00 93.92
24.00 0.48 5.31 2.00 92.18
12.00 1.19 5.53 2.40 92.94
24.00 0.59 5.44 2.40 92.20
PCB正反面:


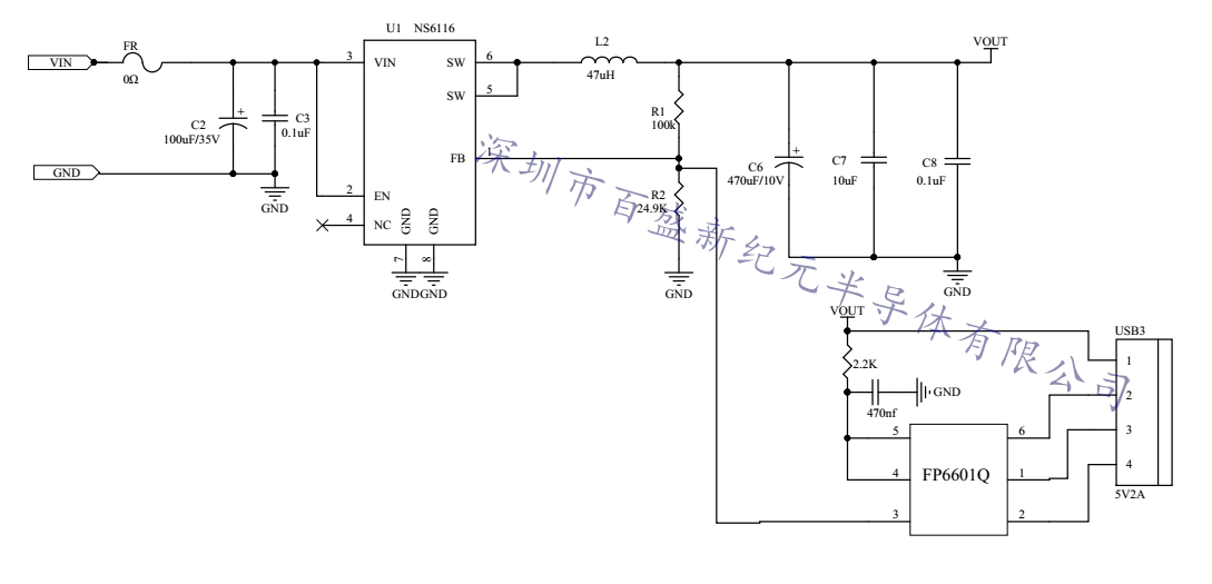
NS6116單口QC3.0智能識別車充原理圖:
支持充電協議:QC3.0,QC2.0
華為FCP
三星AFC
蘋果5V1A,5V2A,5V2.4A
三星5V2A
BC1.2協議

NS6116效率測試 VIN VOUT 備注 電壓(V) 電流(A) 電壓(V) 電流(A 效率(%) 12.00 0.92 5.17 2.00 93.65 24.00 0.46 5.10 2.00 92.39 12.00 1.47 5.44 3.00 92.51 24.00 0.73 5.35 3.00 92.39 12.00 1.64 9.52 2.00 96.74 24.00 0.84 9.59 2.00 95.13 12.00 1.50 11.87 1.50 98.91 24.00 0.79 12.13 1.50 95.96
PCB正反面:


元器件清單(BOM):
元件名稱
元件參數
元件描述
封裝名稱
數量
Designator
Comment
Description
Footprint
Quantity
C1,
C9
0.1uF/35V,X7R,±10%
Capacitor,ceramic
0805
2
C2
100uF/35V,φ6.5*8.2
Capacitor,aluminum electrolytic
CD_3.5*8.2
1
C4
1nF/35V,X7R,±10%
Capacitor,ceramic
0805R
1
C5
330pF/35V,X7R,±10%
Capacitor,ceramic
0805R
1
C6
470uF/10V,φ6.5*8.2
Capacitor,aluminum
CD_2.5*6.5
1
L1
47uH,Wire-φ0.4mm
Inductor'
L6.5*12_2
1
R2
10Ω,±5%
Resistor
R0603
1
R3
100K,±1%
Resistor
R0603
1
R4
24.3K,±1%
Resistor
R0603
1
USB1
USB
USB-Receptacle
USB_DIP-13.6
1
1
Approved
Notes
12

深圳市百盛新紀元半導體有限公司
鄭曉曉
2851339680
13534212799 / 0755-6130 3950
郵箱:Parkson@szparkson.net
公司:深圳市福田區華強北賽格廣場24樓2405A