詳解:高通QC3.0快充協議
- 2017-03-20 12:20:00
- 鄭工 原創
- 66480
字數不多,濃縮的都是精華,請慢慢細看。如果不知道QC2.0是怎樣,請搜索百度或者百度經驗:高通QC2.0快充協議。里面有詳細介紹,這里我就不提了。下面內容均由本人個人編寫,編輯。
QC3.0簡單說就是QC2.0的一個優化版本而已,就是一個發熱量更低,效率更高的QC2.0。原本的QC2.0是輸出電壓:5V,直接升到9V或者12V,20V。很直接的效果。由于壓差的關系,效率會降低,發熱量提高,充電時間增加。所以才有了QC2.0的優化版本:QC3.0。

QC3.0相比QC2.0就比較含蓄點,輸出電壓在3.6V至20V之間。輸出電壓變動是階梯型:0.2V一節一節升上去或者降下來,同時兼容QC2.0直接升9V,12V,20V的性格。還是由于由于壓差的關系,QC3.0比QC2.0效率會提高,發熱量降低,充電時間減少。(按照高通的說法,QC3.0能夠比QC2.0效率提升38%,充電速度提升27%,發熱降低45%,大約35分鐘內就能將一部典型手機從零電量充電至80%。)
QuickCharge 2.0/3.0擁有Class A和Class B兩個標準。其中,ClassA標準的QC2.0支持5V/9V/12V三種電壓,QC3.0則支持3.6V~12V的波動電壓;Class B標準的QC2.0支持5V/9V/12V/20V四種電壓,QC3.0則支持3.6V~20V的波動電壓。由于智能手機領域用不上夸張的20V電壓,所以其周邊的充電器、移動電源的QC2.0/3.0都以Class A標準為主。現有支持QC3.0的手機,如下圖,還有小米5,等支持的手機會陸續增加。


FP6601Q是高通Quick Charge 3.0/2.0(QC3.0,QC2.0)和華為海思快充(FCP)快速充電協議控制器。可自動識別充電設備類型,調整充電器的輸出電壓,使之獲得設備允許的安全最高充電電壓,在保護充電設備的前提下節省充電時間
優點:
●完全支持快速充電QC3.0,QC 2.0,華為海思快充FCP:
●A:3.6V至12V輸出電壓。
●支持USB 充電規范BC1.2。
●支持中國通信行業標準YD/T 1591-2009
●Supports USB DCP applying 2.7V on D+ line and 2.7V on D- line.
●Supports USB DCP applying 1.2V on D+ and Dlines
●支持蘋果Apple設備
●支持三星設備
●可以直接PIN對PIN FP6601(QC2.0快充識別IC)
●SOT23-6無鉛封裝
FP6601Q是QC3.0,QC2.0和華為海思快充(FCP)識別芯片,功能最齊全的。在本身就支持QC3.0,QC2.0和華為海思快充(FCP)的情況下。還加了USB自動識別功能:APPLE,三星,BC1.2協議。
若手機支持快速充電協議,充電器就會以快速模式充電;若手機不支持快速充電協議,FP6601Q能自動識別插入的手機,自動調節D+,D-電壓,使能手機自身允許的最大充電電流,給手機充電(簡單理解就是:就是相當于原裝充電器給手機充電
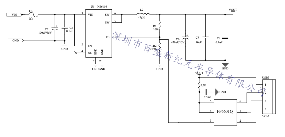
NS6116單口QC3.0快充車充充電器原理圖,功能:支持QC3.0,QC2.0,華為FCP,三星AFC快充

現有支持QC 3.0的芯片有驍龍820、驍龍620、驍龍618、驍龍617和驍龍430。
注意!: 這是用在手機內部的芯片,就說有用這些芯片的手機,基本都可以支持QC快充(具體看手機廠商參數)。
注:QC3.0認證高通授權UL了,需要產品過QC3.0認證,可以跟專門做認證的公司咨詢。(一般EMI,CE這些認證公司都可以咨詢)
授權代理天德鈺快充識別IC:
型號 |
封裝 |
類型 |
輸出電壓 |
功能 |
備注 |
FP6600 |
SOP8 |
識別IC |
5V, 9V,12V,20V. |
QC2.0協議,蘋果,三星,BC1.2 |
PIN對PIN CHY100 |
FP6601 |
SOT23-6 |
識別IC |
5V, 9V,12V. |
QC2.0協議,蘋果,三星,BC1.2 |
最小,功能最全的快充識別IC |
FP6601Q |
SOT23-6 |
識別IC |
3.6V~12V |
QC3.0,QC2.0華為海思FCP,三星AFC快充。 蘋果,三星,BC1.2協議 |
PIN對PIN FP6601 |

深圳市百盛新紀元半導體有限公司
鄭曉曉
2851339680
13534212799 / 0755-6130 3950
郵箱:Parkson@szparkson.net
公司:深圳市福田區華強北賽格廣場24樓2405A


2019/04/29
2019/05/27